销售咨询热线:185-5320-3831
技术服务热线:156-6622-7678
首页HOME
关于我们 ABOUT US
资质文件
网上商城
产品中心 PRODUCT
PLC集成系统
压力仪表
氧化锆氧量分析仪
温度仪表
压力变送器
流量仪表
液位仪表
开关柜系列
桥架系列
控制系统
阀门管件
电缆系列
代理进口品牌
新闻资讯 NEWS
最新公告
公司新闻
行业资讯
项目经验
招贤纳士 RECRUIT
人才理念
招聘信息
联系我们 CONTACT US
联系方式
在线留言
产品中心 PRODUCT
主页
>
产品中心 PRODUCT
>
压力变送器
>
PLC集成系统
压力仪表
氧化锆氧量分析仪
温度仪表
压力变送器
流量仪表
液位仪表
开关柜系列
桥架系列
控制系统
阀门管件
电缆系列
代理进口品牌
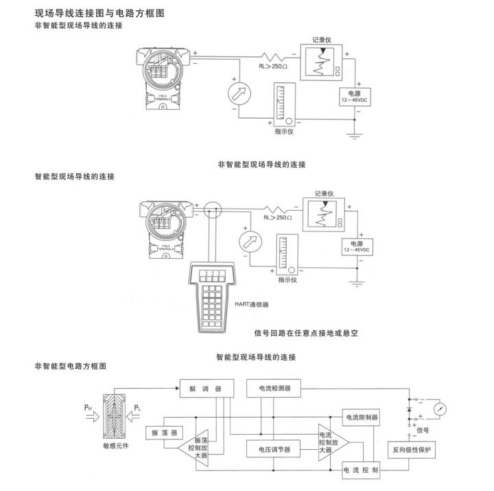
TRH3351系列智能型变送器
上一条:
TRH3351TG智能直接安装式压力变送器
下一条:
TRH3351型智能隔膜远传差压(液位)变送器
青岛天瑞昊机电工程有限公司
电话:0532-80938269
邮箱:qdtrhjd@163.com
销售咨询热线:185-5320-3831
技术服务热线:156-6622-7678
办公地址:青岛重庆南路99号甲3栋1106
青岛天瑞昊机电工程有限公司天长市分公司
天长市瑞昊自控设备有限公司
电话:0550-7673322
邮箱:qdtrhjd@163.com
销售咨询热线:185-5320-3831
生产地址:安徽省天长市滁州高新技术开发区天汊路213号
Copyright © 2020青岛天瑞昊机电工程有限公司 版权所有
鲁ICP备18030464号
展开
收缩
天瑞昊在线客服
客服1
客服2
销售咨询热线:
185-5320-3831
技术服务热线:
156-6622-7678